TPA2092 Protected Digital Audio Amplifier CHIP SOIC16 (S)
Topdiode TPA2092 is a high-voltage, high-speed MOSFET driver featuring a floating PWM input, specifically designed for Class D audio amplifier applications. It integrates bi-directional current sensing, allowing for overcurrent detection during both positive and negative load conditions without the need for external shunt resistors.
A built-in protection control block ensures reliable operation by managing fault conditions such as overcurrent, along with a programmable reset timer for flexible system recovery.
The integrated dead-time generation block enables precise gate timing control, ensuring optimal dead-time configuration. This results in improved audio performance, including lower total harmonic distortion (THD) and a reduced noise floor.
Features
Integrated analog input Class D audio amplifier driver in a small 16 pin package
Error amplifier open loop gain > 60dB
Programmable bidirectional over-current protection with self-reset function
External 5V reference voltage output, low voltage side over current protection threshold
programmable
Programmable timing of protected signal duration
Programmable preset deadtime for improved THD performances
Start and stop click noise reduction
Integrated multi-voltage domain under voltage protection and over voltage clamp protection
High noise immunity: > 50 V/ns
±150 V ratings deliver up to 500 W in output power
Operates up to 800KHz
Wide temperature range: -40°C ~125°C
Dynamical electrical characteristics:
High and low side propagation delay: 350/335ns
OC protection delay (max): 500ns
Shutdown propagation delay (max): 250ns
Output high short circuit current (Source/Sink) up to 2A
RoHS compliant
Application
Motor Control
Air Conditioners/ Washing Machines
General Purpose Inverters
Micro/Mini Inverter Drives
Functional Block Diagram

Function Pin Description

Lead Definitions

Product specifications
Absolute Maximum Ratings indicate sustained limits beyond which damage to the device may occur. All voltage parameters are absolute voltages referenced to COM; all currents are defined positive into any lead. The Thermal Resistance and Power Dissipation ratings are measured under board mounted and still air conditions.
ESD rating

Rated power

Thermal information

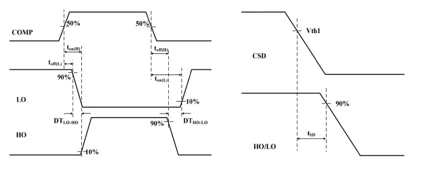
Waveform definitions


Input/Output Pin Equivalent Circuit Diagrams

The TPA2092 is a Class D audio amplifier driver with integrated PWM modulator and over current protection. Combined with two external MOSFETs and a few external components, the TPA2092 forms a complete Class D amplifier with dual over current, and shoot-through protection, as well as UVLO protection for the three bias supplies. The versatile structure of the analog input section with an error amplifier and a PWM comparator has the flexibility of implementing different types of PWM modulator schemes.
Loss-less current sensing utilizes RDS(on) of the MOSFETs.The protection control logic monitors the status of the power supplies and load current across each MOSFET. For the convenience of half bridge configuration, the analog PWM modulator and protection logic are constructed on a floating well. The TPA2092 implements start-up click noise elimination to suppress unwanted audible noise during PWM start-up and shut-down.



