Application of Topdiode IGBT – White Goods
Topdiode 600V-650V IGBT used on Inverter Refrigerator
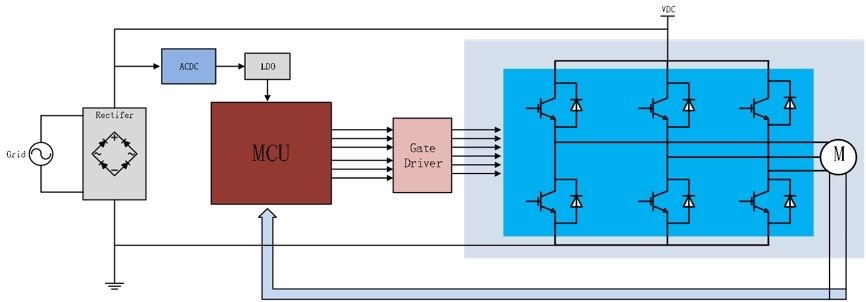
Inverter refrigerator is a refrigerator produced by a technology in which the refrigerator compressor uses a single-phase AC motor as the drive motor, and the single-phase AC motor uses a variable frequency power supply to adjust the cooling capacity of the compressor. Compared with fixed-frequency refrigerators, variable-frequency refrigerators have the characteristics of high temperature control accuracy, low operating noise, and high energy efficiency, and are gradually accepted by consumers.

Topdiode utilizes the trench gate field stop IGBT technology (Trench Field Stop) theory, adopts high-density device structure design and advanced ultra-thin chip processing technology to launch a new generation of Trench FS Ⅱ IGBT series products. This series of products optimizes current carrying Sub-injection efficiency and carrier distribution significantly reduce device saturation voltage drop and turn-off loss, thereby reducing device power consumption and improving system efficiency.
Topdiode 600V-650V IGBT used on inverter refrigerator
600V-650V IGBT:ID=7A
Topdiode 600V-650V IGBT used on Inverter Air Conditioner

Inverter air conditioners refer to conventional air conditioners with an inverter installed. The host of the inverter air conditioner automatically performs stepless speed changes. After rectifying and filtering the 50HZ current of the power grid, a DC power of about 310V is obtained.
After this DC power is inverted, a variable frequency power supply can be obtained to control the operation of the compressor. This will convert 50 Hertz grid frequency shifts to 30-130 Hz. Compared with fixed frequency air conditioners, the advantages of variable frequency air conditioners are energy saving, low noise, high temperature control accuracy, and low voltage requirements.
TOPDIODE utilizes the trench gate field stop IGBT technology (Trench Field Stop) theory, adopts high-density device structure design and advanced ultra-thin chip processing technology to launch a new generation of Trench FS Ⅱ IGBT series products. This series of products optimizes current carrying The sub-injection efficiency and carrier distribution can significantly reduce the device saturation voltage drop and turn-off loss, thereby reducing device power consumption and improving system efficiency.
Topdiode 600V-650V IGBT used on Inverter Air Conditioner
PFC Circuit:
600V-650V IGBT:ID=30-40A
Topdiode high and low voltage mosfets used on TV
Since the LCD screen itself does not have a light-emitting function, it is necessary to add a lighting system behind the LCD screen. The backlight lighting system consists of light-emitting components, a light guide plate and a backlight power supply. The power of TV backlight power supply is generally 100-500W. Its function is to convert the AC voltage of the mains into a 12V DC voltage output, thereby supplying power to the display.
Since there is a DC-DC voltage converter on the motherboard inside the monitor to obtain 8V/5V/3.3V/2.5V voltage, the 12V DC voltage output by the power supply can meet the working requirements of the monitor. General topologies will use PFC, LLC, SR, Falyback, BOOST+CC/CV topology, etc.
The ultra-thin appearance of the new generation TV poses a challenge to the miniaturization and thinness of the backlight power supply. TOPDIODE offers the broadest range of surface mount high and low voltage MOSFETs with good EMI and excellent thermal performance.
Topdiode high and low voltage mosfets used on TV
PFC:
SJ-III MOSFET:VDS=650-700V Ron@10V(max)=140mΩ-680mΩ
Flyback:
SJ-III MOSFET:VDS=650-700V Ron@10V(max)=140mΩ-680mΩ
LLC:
SJ-III TF MOSFET:Ron@10V(max)=140mΩ-360mΩ
Boost:
- channel SGT-II MOSFET & N-channel SGT-I MOSFET : VDS=30V
Ron@10V(max)=1.65mΩ-6.4mΩ
SR:
N-channel SGT-II MOSFET & N-channel SGT-I MOSFET : VDS=40V-85V
Ron@10V(max)<10mΩ package: DFN、TOLL
N-channel SGT-II MOSFET & N-channel SGT-I MOSFET : VDS=85V
Ron@10V(max)=3.6-10.2mΩ
N-channel SGT-II MOSFET & N-channel SGT-I MOSFET : VDS=100V
Ron@10V(max)=3.0-95mΩ
N-channel SGT-II MOSFET & N-channel SGT-I MOSFET : VDS=150V
Ron@10V(max)=2-65mΩ
Mosfet:
Normal Trench:
P-channel Trench MOSFET:VDS=-20V Id=-0.66A- -9A
P-channel Trench MOSFET:VDS=-30V Id=-2A – -9.1A
N-channel Trench MOSFET:VDS=20V Id=0.5A-8A
N-channel Trench MOSFET:VDS=30V Id=2A-8A



