Application of Topdiode MOSFET Driver ICs – Consumer Electronics
Metal-Oxide-Semiconductor Field-Effect Transistor (MOSFET) Driver ICs (Integrated Circuits) are widely used in electronic circuits to control and drive MOSFETs efficiently. Here are some common applications of MOSFET Driver ICs:
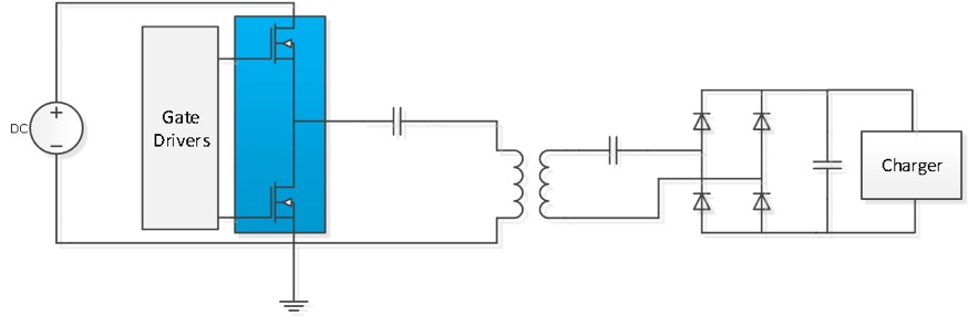
Topdiode Super Trench Power Mosfet Used on Wireless Charger

TOPDIODE has dual-core sealing technology, which further reduces the design area of the wireless charger, achieving higher power density and more powerful charging capability. The product maximizes energy efficiency while maintaining reasonable power consumption, and comprehensively improves the switching characteristics and conduction characteristics of the device. Reduce overall costs through functional upgrades and process technology optimization in all key aspects of optimizing power supply.
N-Channel Super Trench Power MOSFET TPP40ND80G
30V Half Bridge Dual N-Channel Super Trench Power MOSFET TPPB302G
30V Half Bridge Dual N-Channel Super Trench Power MOSFET TPPB303GU
30V Half Bridge Dual N-Channel Enhancement Mode Power MOSFET TPB301Q
30V Half Bridge Dual N-Channel Enhancement Mode Power MOSFET TPB301G
Topdiode Mosfet used on Power Adapter/EV Charger/Power Supplies

The core part of the power adapter is the AC-DC controller. Due to the existence of high voltage, there are high requirements for the reliability and energy efficiency ratio of the device. Switching control devices play a core role in this. Reasonable device selection can effectively reduce losses, improve reliability, and reduce EMC.
The application of Super-Junction technology simultaneously achieves greater current and high-voltage capabilities, and the switch response is fast, the energy efficiency is higher, and the heat is lower. It can be used for switching applications up to 150KHZ, making the system perform better.
Super-Junction Gen.3 series products have faster switching speed, lower conduction loss, and extremely low gate charge (Qg), thereby reducing device power loss and improving system efficiency.
PFC/Fly back:
500-1050V N MOSFET
500-650V N-Channel Mosfet
500-800V N-Channel Mosfet
Topdiode N-channel Trench MOSFET used on LED Lighting

LED power supplies are now widely used in our daily lives. Since there is no light delay effect, the up and down fluctuations of the output current will cause light and dark changes in the light, which is what we usually call stroboscopic. In order to pursue a more stable output light, a de-strobing circuit is added based on the use of a stable voltage source, and the output characteristics of MOSFET are used to further filter the current to achieve a flicker-free light source.
TOPDIODE’s Super-Junction Gen.3 series products have faster switching speeds, lower conduction losses, and extremely low gate charge (Qg), thereby reducing device power losses and improving system efficiency. At the same time, it has the characteristics of high avalanche endurance and high surge capability, which provides the front stage with a small output ripple and a more stable power supply; the Normal Trench MOSFET has stable operating characteristics in the linear region and small operating current changes in the linear region, further filtering The output light source has no flicker.
Topdiode N-channel Trench MOSFET used on LED Lighting:
N-channel Trench MOSFET:VDS=20V-100V Package: SOT-23/SOT-23-3L/SOP-8/SOT-223
SJ-III MOSFET & SJ-III TF MOSFET & SJ-IV MOSFET & SJ-IV NF MOSFET:
Ron@10V(max)=540mΩ-3900mΩ
Topdiode Mosfet used on portable power

With the advancement of life, mobile phones, computers, iPads, etc. have become electronic products that everyone has. However, long-term use will consume a lot of power, and mobile power supplies have become a must-have product for us. At the same time, the safety of mobile power supplies is also urgently highlighted. There are endless reports of fires and explosions of mobile power supplies due to overcharge and over-discharge, high battery temperature, port short circuits, etc., seriously threatening people’s personal and property safety.
TOPDIODE has launched a series of 20V products in dual-core packages of ordinary trench MOSFETs dedicated to this application field. It has a pre-set on-resistance, which reduces the heating of the device itself, thereby ensuring that the operating temperature of the lithium battery is not too high; it has an extremely low moment of inertia (Qg) and is easy to drive directly; at the same time, it has high avalanche endurance and high surge capability Features such as this greatly improve the reliability of applications and ensure the normal operation of the entire battery management system.
Topdiode Mosfet used on portable power
Charge and discharge MOSFET:
TP8205I\TP8205T\TP8205B\TP9926\TP2007N\TP2007NS\TP2004NE\TP2008E\TP20ND06\TP2010E\TP2006NE\TP2008N\TP8804\TP8651Q
Topdiode mosfet, drive IC used on Medical Equipment

Brushed DC motors and brushless DC motors have become a necessity for today’s personal medical equipment due to their low noise, good controllability, and high precision. Equipment such as medical beds and robotic arms contain a large number of motor systems. However, these devices often operate in various extreme working environments. For example, the temperature in high-temperature sterilization equipment reaches above 125°C, so we have higher requirements for the reliability of the devices.
Topdiode dual-chip MOSFET Advantage:
Smaller package size: dual-chip N+N or N+P dual-core mosfet package chip for brushless brushless DC motors. Greater current capability: The use of CLIP and SMD packaging makes the chip’s heat dissipation capability stronger.
Better reliability: The new generation of SGT technology enables a larger safe working area.
Topdiode mosfet, drive IC used on medical equipment
N-channel SGT Gen.2 MOS&N-channel SGT Gen.1 MOS&N-channel Trench MOS:
VDS=60V-100V Ron@10V(max)=4mΩ-35mΩ dual-chip N+N, N+P
IC:drive IC
Topdiode Mosfet, Drive IC used on Portable Power Tools

Portable power tools are daily necessities in the homes of hundreds of millions of people around the world, including handheld electric drills, garden tools, etc. During daily use, these devices are constantly tested by consumers on product reliability and portability, and they further hope to achieve low noise, high precision and other requirements.
TOPDIODE Trench MOSFET series & Super Trench MOSFET series maximize energy efficiency while maintaining reasonable power consumption, and comprehensively improve the switching characteristics and conduction characteristics of the device. In particular, Super Trench technology brings you lower conduction losses and better switching characteristics.
Now the second-generation SGT products have an overall performance improvement of more than 20% compared to the first-generation products, allowing you to achieve higher efficiency. At the same time, if you are more concerned about cost, you can also choose the Normal Trench MOSFET series to obtain a higher cost performance.
Topdiode Mosfet, Drive IC used on portable power tools
N-channel SGT-II MOSFET & N-channel SGT-I MOSFET & N-channel Trench MOSFET:
VDS=30V-60V Ron@10V(max)=0.85mΩ-10mΩ
IC:Drive IC
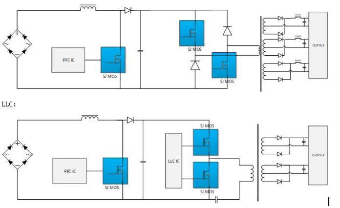
Topdiode Mosfet used on PC Power Supply

The power supply is like the heart of the PC, supplying energy to all hardware. Today’s continuously advancing technology has continued to reduce the total power consumption of PC central processing units (CPUs). However, with the rapid increase in GPU power consumption, the overall power consumption of PCs has brought new challenges to the power supply. At the same time, OEM PC power supplies are also essential for smaller size and better cost performance in the DIY market.
TOPDIODE Super-Junction Gen.3 series products have faster switching speed, lower conduction loss, and extremely low gate charge (Qg), thereby reducing device power loss and improving system efficiency. At the same time, due to the use of independent innovative technology to optimize the switching characteristics of the device, the device has better EMI performance in the system. In addition, various packaging forms can meet your different needs.
Topdiode Mosfet used on PC Power Supply
PFC :
SJ-III MOSFET & SJ-III TF MOSFET & SJ-IV MOSFET & SJ-IV NF MOSFET :
VDS=650V Ron@10V(max)=41mΩ-200mΩ
Double barrel stirred up:
SJ-III MOSFET & SJ-III TF MOSFET & SJ-IV MOSFET & SJ-IV NF MOSFET:
VDS=650V-700V Ron@10V(max)=41mΩ-200mΩ
LLC:
SJ-III TF MOSFET:VDS=650V Ron@10V(max)=41mΩ-200mΩ
Topdiode Mosfet Used on Electric Bike charger

The electric bicycle charger is a charging device specially configured for the battery of electric bicycles. Commonly used switching power supply chargers are divided into two categories: half-bridge type and single-excited type. The single-excited type is further divided into forward type and flyback type. Two categories. The half-bridge type has high cost and good performance, and is often used in chargers with negative pulses; the single-stroke type has low cost and high market share. Most chargers on the market today are flyback type.
TOPDIODE Super-Junction Gen.3 series products have faster switching speed, lower conduction loss, and extremely low gate charge (Qg), thereby reducing device power loss and improving system efficiency. And due to the adoption of independent innovative technology, the switching characteristics of the device are optimized, and the device has better EMI performance in the system. At the same time, superjunction MOSFET has good robustness and is a high-efficiency and high-reliability solution for chargers.
PFC :
SJ-III MOSFET:VDS=650V-700V Ron@10V(max)=260mΩ-680mΩ
Fly-back:
SJ-III MOSFET:VDS=650V-700V Ron@10V(max)=260mΩ-680mΩ
Topdiode Mosfets Drive IC used on Electric Vehicle Controller

In the electric vehicle market, the importance of light electric vehicles (electric two-wheelers, electric three-wheelers, electric scooters) is becoming increasingly important. As a means of transportation in people’s daily lives, light electric vehicles have the advantages of low investment and operation and maintenance costs, and meet the budget requirements of most consumers. At the same time, it can be charged through the standard power grid. The above characteristics make it a short-distance transportation tool. In the next few years, the number of light electric vehicles will explode. However, users’ anxiety about cruising range is becoming increasingly apparent. How to optimize system cost and efficiency has become an urgent problem that needs to be solved.
TOPDIODE Normal Trench MOSFET series & Super Trench MOSFET series maximize energy efficiency while maintaining reasonable power consumption, and comprehensively improve the switching characteristics and conduction characteristics of the device. In particular, Super Trench technology brings you lower conduction losses and better switching characteristics.
Now the second-generation SGT products have an overall performance improvement of more than 20% compared to the first-generation products, allowing you to achieve higher efficiency. At the same time, if you are more concerned about cost, you can also choose the Normal Trench MOSFET series to obtain a higher cost performance.
Topdiode Mosfets Drive IC used on Electric Vehicle Controller

N-channel Trench MOSFET:VDS=60V-100V Ron@10V(max)<8mΩ
N-channel SGT-II MOSFET&N-channel SGT-I MOSFET:VDS=60V-100V Ron@10V(max)<8mΩ
IC:Drive IC
Topdiode Mosfets Drive IC used on Electric Vehicle Converter
The electric vehicle converter can convert the high-voltage power of the electric vehicle battery into the 12V low-voltage power required by the system. Non-isolated voltage reduction solutions are usually used in electric vehicles. Since the converter works in a relatively closed environment, heat generation is crucial to the stability of the system, so there are urgent requirements for the energy efficiency of the converter. During the operation of the entire system, low wear and damage of the power unit itself is key.
TOPDIODE ordinary Trench MOSFET series and Super Trench MOSFET series maximize energy efficiency while maintaining reasonable power consumption, comprehensively improve the switching characteristics and conduction characteristics of the device, and improve the body diode reverse recovery characteristics. In particular, Super Trench technology comprehensively improves the on-resistance temperature characteristics of the product and effectively controls the increase in device on-resistance as temperature increases.
Taking 100V products as an example, compared with ordinary inductive MOSFET products, Super Trench reduces the device’s on-resistance to 175% The on-resistance multiplication factor at high temperatures is reduced from the original 2.29 to 2.09, thereby significantly enhancing the device’s current capability and impact resistance at high temperatures. Super Trench MOSFET products will be more suitable for applications in high temperature and harsh environments.
Topdiode Mosfets Drive IC used on Electric Vehicle Conventer
N-channel Trench MOS:VDS=100V-120V Ron@10V(max)=16mΩ-32mΩ
N-channel SGT Gen.2 MOS&N-channel SGT Gen.1 MOS:VDS=100V-120V Ron@10V(max)=8.5mΩ-23mΩ
These applications demonstrate the versatility and importance of MOSFET Driver ICs in a wide range of electronic systems and devices.



