Silicon Controlled Rectifiers (SCR), also known as thyristors, are high-power electrical components. It has the advantages of small size, high efficiency, and long lifespan. In automatic control systems, it can be used as a high-power driving device to control high-power equipment with low-power controls. It has been widely used in AC/DC motor speed control systems, power regulation systems, and servo systems.
There are two types of thyristors: unidirectional thyristors and bidirectional thyristors. A bidirectional thyristor, also known as a tri terminal bidirectional thyristor, abbreviated as TRIAC. A bidirectional thyristor is structurally equivalent to two unidirectional thyristors connected in reverse, and this type of thyristor has bidirectional conductivity. Its on/off state is determined by the control pole G. Applying a positive pulse (or negative pulse) to the control electrode G can make it conduct in the positive (or negative) direction. The advantage of this device is that the control circuit is simple and there is no reverse withstand voltage problem, making it particularly suitable for use as an AC contactless switch.
Working principle
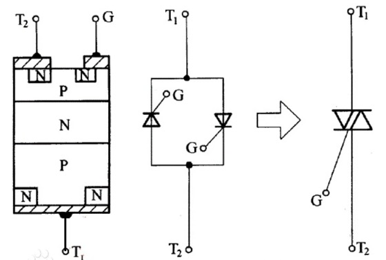
Controllable silicon is a four layer three terminal structure element of P1N1P2N2, with three PN junctions. When analyzing the principle, it can be regarded as composed of a PNP transistor and an NPN transistor. Bidirectional thyristor: A bidirectional thyristor is a type of silicon controlled rectifier device, also known as a bidirectional thyristor. This device can achieve contactless control of AC power in circuits, controlling large currents with small currents. It has the advantages of spark free, fast action, long lifespan, high reliability, and simplified circuit structure. From the appearance, a bidirectional thyristor is very similar to a regular thyristor, with three electrodes. However, except for one electrode G, which is still called the control electrode, the other two electrodes are usually no longer called the anode and cathode, but are collectively referred to as the main electrodes Tl and T2. Its symbol is also different from that of a regular thyristor, which is drawn by reversing two thyristors together.

The specifications, models, shapes, and electrode pin arrangements of bidirectional thyristors vary depending on the manufacturer, but most of their electrode pins are arranged from left to right in the order of T1, T2, and G (when observed, the electrode pins are facing downwards, facing the side marked with characters). The appearance and electrode pin arrangement of the most common plastic encapsulated bidirectional thyristors in the market.

Characteristics of thyristors
“On the verge”. However, if a reverse voltage is applied to the anode or control electrode, the thyristor cannot conduct. The function of the control pole is to turn on the thyristor by applying a positive trigger pulse, but it cannot turn it off. So, what method can be used to turn off the conducting thyristor? Turning off the conducting thyristor can disconnect the anode power supply or make the anode current less than the minimum value required to maintain conduction (known as the sustain current). If an AC voltage or pulsating DC voltage is applied between the anode and cathode of a thyristor, the thyristor will automatically turn off when the voltage crosses zero.

Bidirectional thyristor symbol
The circuit symbol of a bidirectional thyristor displays the three electrodes of the device, including two anodes and one gate. Although not all bidirectional thyristor devices fully adopt this structure, they all contain two thyristors connected in anti parallel through a cathode and an anode. This means that both terminals are marked as anodes, and the thyristor shares one gate
The working principle and mode of bidirectional thyristor
Although the working principle of bidirectional thyristors is often compared to two thyristors in reverse parallel, the structure of bidirectional thyristors (including N-type and P-type regions) means that they can perform switching functions in both parts of the AC waveform. This means that unlike standard thyristors, bidirectional thyristors can handle both forward and reverse current flow simultaneously, thus requiring only one device in many applications.
This also means that the device can conduct when the polarity of the terminal is positive or negative. However, the current sensitivity required for the trigger to trigger the device is highest when the two terminal polarities are the same.
Four triggering modes
I+mode: The second terminal current is positive, and the gate current is positive
I-mode: The second terminal current is positive, and the gate current is negative
III+mode: The second terminal current is negative, and the gate current is positive
III Mode: The second terminal current is negative, and the gate current is negative
Application of bidirectional thyristor
The requirement for bidirectional thyristors to trigger from the gate terminal makes them an ideal device for creating switches in low to medium power AC circuits. This can include lighting, fan and motor control, or temperature or liquid level control systems.
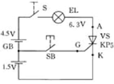
Bidirectional thyristor as switch circuit
To use a bidirectional thyristor circuit for AC switch operation, the following steps need to be completed:
When the switch (SW1) is turned on in the circuit below, the bidirectional thyristor remains in the “off” state and the light bulb is not powered on
When the switch is turned off, a trigger signal is sent to the bidirectional thyristor through the gate, and the bidirectional thyristor begins to conduct, switching to the “on” stage
When the bidirectional thyristor only receives AC power, the device will unlock and relock during each half waveform cycle. This can control the current flowing through the light bulb
The bidirectional thyristor will only turn off when the supplied current approaches zero
Topdiode thyristors and bidirectional thyristors
Topdiode’s SCR current range is 1A~100A and voltage range is 200V~2000V, which can be used for various industry standards, SMD, and through-hole power packaging.
The difference between TRIAC and SCR is that they allow current to flow in two directions. Topdiode provides original four quadrant three terminal bidirectional thyristor switches and significantly improved three quadrant three terminal three terminal bidirectional thyristors. Three terminal bidirectional thyristor switches are mainly used in household appliances, electric (water) heaters, power tools, dimmers, and motor control applications. The current range of Topdiodes three terminal bidirectional thyristor switch is 1A to 80A, and the voltage can reach up to 2000V. They come in various industry standards, SMD, and through-hole power packages.
Topdiode provide cost effective SCRs and Triacs to replace Infineon, Onsemi, AOS, and ST IGBT.
| Topdiode P/N# | Package | IT(RMS) | VDRM (V) |
VRRM (V) |
IGT Max | Cross to brands |
cross to P/N | Cross to package |
| Max (A) | (mA) | |||||||
| F0105-8U | TO-92 | 1 | 800 | 800 | 5 | NXP/WeEn | MAC97A8 | TO-92 |
| F0405-6D | TO-252 | 4 | 600 | 600 | 5 | ST | T405Q-600B-TR | DPAK |
| F0410-6D | TO-252 | 4 | 600 | 600 | 10 | Littelfuse | L6004D8 | TO-252 |
| F1235-6A | TO-220-3 | 12 | 600 | 600 | 35 | ST | BTA12-600CW | TO-220-3 |
| T0210-8W | SOT-223 | 2 | 800 | 800 | 10 | WeEn | BTA202W-800ET | SOT223 |
| T0405-8D | TO-252 | 4 | 800 | 800 | 5 | WeEn | BTA204S-800B | DPAK |
| T0405-8W | SOT-223 | 4 | 800 | 800 | 5 | WeEn | BTA204W-800C | SOT223 |
| T0435-6F | TO-220F | 4 | 600 | 600 | 35 | WeEn | BTA204X-600C | TO-220F |
| T0435-8B | TO-220B | 4 | 800 | 800 | 35 | WeEn | BTA204-600C | TO-220AB |
| T0635-8A | TO-220A | 6 | 800 | 800 | 35 | ST | BTA06-800B | TO-220AB |
| T0835-6A | TO-220A | 8 | 600 | 600 | 35 | ST | BTA08-600B | TO-220AB |
| T1210-6A | TO-220A | 12 | 600 | 600 | 10 | Littelfuse | Q6012LH2 | TO-220AB |
| T1235-8Z | TO-263 | 12 | 800 | 800 | 35 | WeEn | BTA212B-800B | SOT404 (D2PAK) |
| T1605-6A | TO-220A | 16 | 600 | 600 | 5 | ST | T1605G-6I | TO-220AB |
| T2535-6A | TO-220A | 25 | 600 | 600 | 35 | ST | BTA24-600BRG | TO-220A |
| T2535-6B | TO-220B | 25 | 600 | 600 | 35 | ST | BTB24-600BRG | TO-220B |
| T2535-6M | TO-3P | 25 | 600 | 600 | 35 | ST | BTA26-600B | TOP3 Ins |
| T2535-8M | TO-3P | 25 | 800 | 800 | 35 | ST | BTA26-800BW | TO-3P |
| T4135-16N | TO-247 | 40 | 1600 | 1600 | 35 | IXYS | CMA80MT1600NHB | TO-247 |
| T4135-8M | TO-3P | 40 | 800 | 800 | 35 | ST | BTA40-800BW | TO-3P |
| T4135-8M | TO-3P | 40 | 800 | 800 | 35 | WeEn | BTA41-600B | IITO3P |
For any questions or inquiries, please visit the website:https://www.topdiodes.com/




